三菱FX系列PLC堆栈指令(MPS/MRD/MPP) | |
|---|---|
| (点击题目可以在互联网中搜索该题目的相关内容)日期:2006-10-15 23:02:20 来源:PLC之家 作者: 点击: | |
|
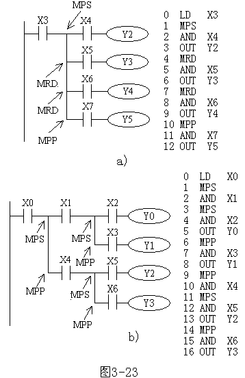
FX系列PLC有基本逻辑指令20或27条、步进指令2条、功能指令100多条(不同系列有所不同)。本节以FX2N为例,介绍其基本逻辑指令和步进指令及其应用。 FX2N的共有27条基本逻辑指令,其中包含了有些子系列PLC的20条基本逻辑指令。 堆栈指令(MPS/MRD/MPP) 堆栈指令是FX系列中新增的基本指令,用于多重输出电路,为编程带来便利。在FX系列PLC中有11个存储单元,它们专门用来存储程序运算的中间结果,被称为栈存储器。 (1)MPS(进栈指令) 将运算结果送入栈存储器的第一段,同时将先前送入的数据依次移到栈的下一段。 (2)MRD(读栈指令) 将栈存储器的第一段数据(最后进栈的数据)读出且该数据继续保存在栈存储器的第一段,栈内的数据不发生移动。 (3)MPP(出栈指令) 将栈存储器的第一段数据(最后进栈的数据)读出且该数据从栈中消失,同时将栈中其它数据依次上移。 堆栈指令的使用如图1所示,其中图1a为一层栈,进栈后的信息可无限使用,最后一次使用MPP指令弹出信号;图1b为二层栈,它用了二个栈单元。
图1 堆栈指令的使用 a) 一层栈 b) 二层栈 堆栈指令的使用说明: 1)堆栈指令没有目标元件; 2)MPS和MPP必须配对使用; 3)由于栈存储单元只有11个,所以栈的层次最多11层 |
|
| 上一篇: 三菱FX系列PLC主控指令(MC/MCR)下一篇: 三菱FX系列PLC逻辑反、空操作与结束指令(INV/NOP/END) |
