点击【 大 中 小 】,可以选择字体的大小,以便你阅读.
1 引言
目前,在工厂供电系统中,对高压断路器的控制、保护和信号回路多采用传统的继电器开关量控制方式,存在着元件多,接线繁琐,运行维护工作量大,故障多,控制自动化程度低,可靠性差等诸多问题。而PLC作为继电器控制的替代产品,具有可靠性高、抗干扰能力强、编程简单、维护方便、适应环境好等等优点,利用PLC对断路器二次回路进行控制无疑是较好的选择。
2 断路器操作与二次回路
2.1 断路器控制、保护和信号回路(简称二次回路接线)
断路器控制、保护和信号回路电路接线如图1[1]所示。QF为断路器,TA为电流互感器,KA为电流继电器(GL-15、25型),KM为中间继电器,WC为控制小母线,WS为信号小母线,WAS为事故信号小母线,SA为控制开关,SB为按钮,RD为红色指示灯,GN为绿色指示灯,YO为合闸线圈,YR为跳闸线圈,SQ1、SQ2为储能位置开关,M为储能电机。
2.2 断路器控制、保护和信号回路基本要求
图1为采用CT7型弹簧操作机构的断路器控制、保护和信号回路,SA可采用LW2或LW5型万能转换开关,其控制的基本要求如下:

图1 断路器控制、保护和信号回路原理图
(1) 只有当储能电机储能完成,才能进行合闸操作。
(2) QF正常工作时,应是红灯亮,绿灯灭,并分别起到监视跳闸和合闸回路的完好性。
(3) 当过电流保护装置检测到过电流信号时,应立即启动跳闸装置跳闸。
2.3 控制电路工作原理
图1中,SA为LW2或LW5型转换开关,它们的触点有合闸、合闸后、分闸、分闸后四个位置。SA的3-4触点只在合闸时接通,合闸后断开;SA的1-2触点只在分闸时接通,分闸后断开;SA的9-10触点在合闸和合闸后均接通。SQ1和SQ2是弹簧储能电机的位置开关,未储能时处于初始状态。
需要合闸操作时,须先进行弹簧储能:按下SB按钮,储能电机M通电运转,使合闸弹簧储能,完毕后,SQ2常闭触点断开,SQ1常开触点闭合,为合闸作准备。
合闸时,将SA扳向合闸(ON)位置,其3-4触点接通,合闸线圈YO通过较大电流,操作机构使QF断路器合闸,其辅助触点使YO线圈失电,并使RD红灯点亮。
分闸时,将SA扳向分闸(OFF)位置,其1-2触点接通,分闸线圈YR通过较大电流,操作机构使QF断路器分闸,其辅助触点使YR线圈失电,并使GN绿灯点亮。
当一次电路发生短路时,KM1或KM2线圈得电,其常开触点闭合,也使YR通过较大电流而让QF断路器跳闸,随后QF的3-4触点断开,RD灭,并使YR失电。由于QF是自动跳闸,SA仍在合闸位置,SA9-10触点闭合,发出事故信号,通知值班员将SA扳向分闸位置,并使事故信号解除。
3 断路器操作PLC控制系统
3.1 PLC电气原理设计
断路器控制、保护和信号回路的PLC的I/O点分配如图2所示。PLC采用FX2N-32MR型,共须用7个输入点,6个输出点。标注情况如图2所示。SA为普通的手动转换开关,H为事故报警信号。

图2 PLC控制系统I/O接线图
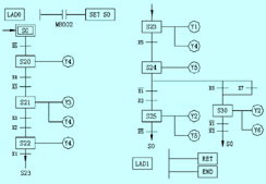
3.2 PLC的程序状态转移图
由于该控制电路为顺序控制电路,所以根据其基本控制要求,并对照PLC的输入输出接线图,即可绘出PLC控制的程序状态转移图如图3[2]所示。

图3 PLC控制程序状态转移图
3.3 PLC控制的梯形图
PLC控制的梯形图如图4所示:

图4 PLC控制梯形图
需要合闸操作时,须先进行弹簧储能:按下SB按钮,X4=1,使Y3=Y4=1,GN绿灯亮,储能电机M通电运转,使合闸弹簧储能,为合闸作准备,完毕后,SQ1 和SQ2常开触点闭合,Y3=0,电机M停转,由于仍在分闸位置,所以GN灯应保持亮。
合闸时,将SA扳向合闸位置,其常开触点接通,X1=1,使Y1=Y4=1,合闸线圈YO通过较大电流,操作机构使QF断路器合闸,合闸后,QF的常开辅助触点使Y5=1,RD红灯点亮。