| |
|---|---|
| (点击题目可以在互联网中搜索该题目的相关内容) 日期:2005-11-20 0:51:50 来源: 作者: 点击: | |
|
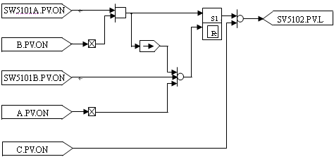
摘 要 本文描述了力控策略控制器在火炬放空联锁上的应用,结合软件特点,阐述了逻辑的设计思想和可行性方案,探索了软逻辑在实际应用的方法和过程。 关键词:力控,软逻辑,联锁 一、概述 1.1 软PLC简介 软件PLC(SoftPLC,也称为软逻辑SoftLogic)是一种基于基于PC机开发结构的控制系统,它具有硬PLC在功能、可靠性、速度、故障查找等方面的特点,利用软件技术可以将标准的工业PC转换成全功能的PLC过程控制器。软件PLC综合了计算机和PLC的开关量控制、模拟量控制、数学运算、数值处理、网络通信、PID调节等功能,通过一个多任务控制内核,提供强大的指令集、快速而准确的扫描周期、可靠的操作和可连接各种I/O系统的及网络的开放式结构。所以,软件PLC提供了与硬PLC同样的功能,同时又提供了PC环境的各种优点,使用软件PLC代替硬件PLC有如下的优势: 用户可以自由选择PLC硬件 用户可以获得PC领域技术/价格优势,而不受某个硬PLC制造商本身专利技术的限制 用户可以少花钱但又很方便地与强有力的PC网络相连 用户可以用他熟悉的编程语言编制程序 对超过几百点I/O的PLC系统来说,用户可以节省投资费用 1.2 已有软件PLC产品简介 目前,在欧美等西方国家都把软件PLC作为一个重点对象进行研究开发,已投入市场的软件PLC产品较多。据报道,在美国底特律汽车城,大多数汽车装配自动生产线、热处理工艺生产线等都已由传统PLC控制改为软件PLC控制。而国内能见到的软件PLC产品的演示版或正式发行版有德国KW-software公司的MULTIPROG wt32、法国Schneider Automation公司的Concept V2.1以及Wonderware公司的InControl7.0等。目前国内已有一些著名的自动化软件公司(如北京三维力控科技有限公司)正在研究开发具有自主版权的中文软PLC产品。另外,也有一些自动化工程公司开始代理销售和推广这些商用化的软PLC产品。 1.3 PLC市场预测和软件PLC的市场突破口 据有关数据统计显示,1987年世界PLC的销售额为25亿美元,此后每年以20%左右的速度递增。进入90年代以来,世界PLC 的年平均销售额在55亿美元以上,其中我国约占1%。进入2000年以后,PLC在国际市场上已成为最受欢迎的工业控制畅销产品,软PLC 设计自动控制系统已成为世界潮流。 1.4 力控软PLC 北京三维力控科技有限公司开发的控制策略生成器,是新一代控制策略自动化软件,符合IEC1131-3标准,为您提供功能强大,易于使用、图形化的设计工具,让您快速开发控制逻辑程序,减少您的开发时间,并提供仿真调试功能,大大提高了您的效率,可增强您开发控制逻辑的可靠性。 二、应用工艺和环境 1500吨/年硫磺回收装置是大庆炼化公司新增装置,在设计的时候将其火炬联锁放空系统纳入原ESD系统下。在实际建设过程中发现,原来的ESD系统由于运行时间较长,如果进行大面积的改造,势必影响系统的稳定性,特别是此型号的ESD设备已经淘汰,备件根本买不到。但是工艺设备已经建立,为了不影响开工生产,避免生产过程中的意外伤害,实现高效自动化控制,确保装置长周期平稳运行,决定上一套联锁保护系统,以便将来进一步整合。由于时间紧迫,所以上此系统要求满足3个条件: 1开发周期要短,在一周以内。 2系统稳定性要好。 3性能/价格比要高。 在充分论证了几种方案之后发现,用软PLC控制最为符合实际需要。 三、系统设计 3.1 系统硬件和软件选择 设计系统的关键是硬件和软件的稳定性,根据实际的应用经验和比较选用以下配置。 硬件配置:西门子工业计算机P4 2.0G/256M/40G/20英寸彩显;研祥数据采集卡; 软件配置:系统WINDOWS 2000;组态软件三维力控2.61控制策略网络版。 3.2 工艺联锁说明 通常在装置正常运转情况下硫磺酸性气罐 V-5101内部充满了大量的有毒有害气体硫化氢,当装置停车时,火炬放空线内残存的硫化氢气体应利用氮气吹扫尽快排出,以保护设备和人员安全。在实际生产过程中工艺对这一联锁控制的要求具体如下: 1、在自动吹扫联锁状态下 V-5101 气罐压力检测点P-5101的输出阀位小于等于5 ma时,氮气阀SV-5102自动打开,氮气吹扫放空线“T”时刻后,SV-5102自动失电关闭。 2、除手动吹扫联锁状态外 V-5101气罐压力检测点P-5101的输出阀位大于等于6 ma时,氮气阀SV-5102始终处于关闭状态,不会带电打开。 3、在自动解除联锁状态下 即使V-5101 气罐压力检测点P-5101的输出阀位小于等于5 ma时,氮气阀SV-5102也不会带电打开。即该动作条件被屏蔽。 4、在手动吹扫联锁状态下 无论压力检测点P-5101的输出阀位如何变化,氮气吹扫阀SV-5102都将被打开。 5、自动吹扫、自动解除和手动吹扫三种连锁状态的切换通过一手动开关人为设定,设计要求此开关为三位式,即当其中一个处于状态“1”时,另外两个处于“0”状态。 3.3 软件设计方案 实现火炬炉放空线氮气吹扫阀联锁控制的关键在于1)如何将诱发联锁动作的条件引入到逻辑关系表达式中,即实现现场检测信号的输入。2)三位式开关的创建。 3.3.1力控的顺控模块和关系模块动态连接实现了检测信号的转换和导入 详细表达式如下: ![]() 该功能模块内部条件定义为: ![]() 注:根据PIC5101阀位输出0——100% 与输出电流信号4——20 ma 的对应关系,将压力PIC5101阀位检测信号5 ma 和6 ma分别换算成6.25%和12.5%,以便参与联锁控制。 该功能模块内部顺序表定义为: ![]() 注:SW5101A和SW5101B为公共变量,在调用之前必须预先定义。 3.3.2力控逻辑功能块实现了三位式开关的创建 ![]() 该三位式开关功能块内部定义如下: ![]() 注:指定 A:自动吹扫 B:自动解除 C:手动吹扫 在功能块内部中文注释,并以颜色区分开关选项,即绿色代表选中,红色代表未选择。 |
|
| 上一篇: 没有了 下一篇: OPEN_2000 PLC在球团控制系统中的应用 |





