| |
|---|---|
| (点击题目 可以在互 联 网中搜索该题 目的相关内容) 日期:2007-1-16 0:01:01 来源: 作者: 点击: | |
|
1 引言
真空吹氧脱碳工艺简称VOD,作为不锈钢或者电工钢炉外精炼的一种,在冶金工业得到广泛使用。其原理是利用对真空室进行抽真空,在真空状态下对钢水进行脱气,降低钢水中的[H>、[N>,同时利用钢渣界面反应进行脱硫处理。在大型现代化冶金生产中,VOD钢包处理已成为现代二次冶金的基本手段。 目前典型的VOD双工位的一个流程:装有钢水经过倒渣的钢包运送到VOD处理站,通过行车吊运,放置于双工位真空罐中的一个。自动连接氩气,使钢包开始底吹。净空测量完毕后,真空盖车移动到真空罐上方,降低真空盖直至真空罐完全密闭。真空罐密封后,真空泵系统开始工作。随着压力的降低,脱碳过程开始。真空度达到200 mbar,氧枪移动到要求的位置,吹氧过程开始。真空阶段结束时,真空泵系统停止工作,真空罐破真空。然后,真空泵连接到另一个真空罐系统。同时,真空盖移动到此真空罐上,进行另一炉次VOD真空处理。第一个真空罐继续在大气条件下,做大气微调处理(温度和EMF测量,取样、化学成分调整、钢水均匀化、喂丝操作、软搅拌)。处理终点,氩气底吹停止,自动氩气接头断开连接,行车将钢包吊离真空罐。 2 VOD自动化系统配置及其特点
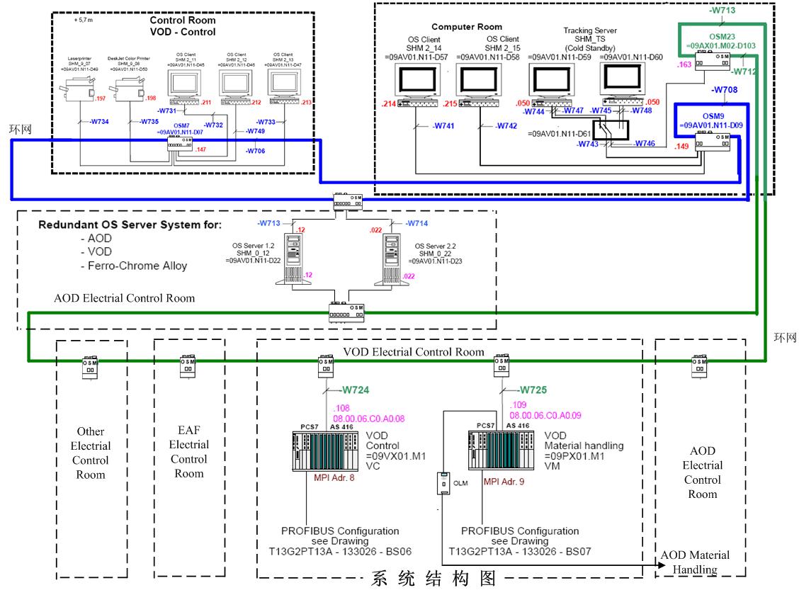
该自动化控制系统采用开放式系统结构,整个系统分为两级:基础自动化级(L1)和过程计算机级(L2)。
参见图1,基础自动化采用SIEMENS的S7-400作为处理器,采用现场总线PROFIBUS-DP方式与现场操作箱、MCC连接,各个控制器通过Ethernet连接,监控站采用SIEMENS工业PC机,实现数据采集、设备监控、生产管理;设置专用的Ethernet网供监控系统实现Client/Server结构(该Server为AOD、VOD共用Server);画面实现以及基础自动化编程采用SIENMENS PCS7作为系统软件。
该系统自动化部分主要的控制功能包括:真空盖车走行、真空盖车升降、真空系统、合金称量、合金上料、合金投入、底惦蚕低场⒀跚瓜低场⒉即鞠低场⒗淙此低场⒉馕氯⊙低场窃低场⑽顾肯低场⒎掀治鱿低车取9碳扑慊糠种饕δ馨ǎ荷导ㄊ占⒏髦直ū砩伞⒔邮苌衔换淖饕导苹⒆饕当曜肌⒅圃毂曜肌⒑推渌の还碳扑慊ㄐ拧⒑湍茉聪低场⒎治鱿低惩ㄐ诺取?/span>
图1 VOD基础自动化系统结构 2.1系统主要特点
(1)系统采用网络化设计,提高了系统响应速度,控制精度,减少故障率。 (2)程序设计采用模块结构,而且采用为本工程定制的驱动程序库,调试简单、方便。 (3)画面操作方便、灵活。L1画面有监控画面、仪表回路画面、联锁关系画面、网络状态画面、报警画面、趋势画面等;L2画面有报表画面、分析画面、模型画面等。 (4)电器、仪表、计算机三合一,符合当今发展潮流。 (5)在L2系统中采用了数学模型,并且把输出结果嵌入L1系统,在计算机模式下直接作为一些设定参数。
2.2应用软件设计
应用软件的设计开发采用模块化设计,程序以设备为单位进行程序的开发,减通过一定的连锁将所有的设备串接起来,确保程序的通用性、易读性以及增加调试方便。在应用程序编写中采用专门的驱动程序库,该模块在HMI画面中有相应的操作面板,减少了HMI组态工作,也增加了通用性,减少了画面维护工作。下面以真空度控制和冷却水控制为例说明。
参见图2,真空度控制主要是控制返回真空罐的空气流量以达到控制真空压力的目的,操作方式有自动、手动以及计算机方式。计算机方式指对于处理的钢种,根据工艺要求以及作业标准,数学模型计算出需要控制的目标真空度,并且下达到基础自动化,后者接受到数据以后自动按照接受的数据队阀门及行调解以达到目标真空度;自动方式指真空度的控制由操作员自行设定参数,实现定值控制;手动方式下操作员直接给出阀门开度开控制空气流量。
图2 真空度控制和冷却水控制 由于对于真空度控制要求反应时间非常高,而且在不同的真空泵开启的阶段真空度设定值相差很大,因此对于真空度控制采用表格加传统控制方式。在计算机方式和自动方式下,根据工艺要求,按照各个真空泵开闭状态以及相对应的真空度范围,建立表格,根据接受的模型计算结果或者操作员设定的数据,比较表格中的数据,选择和设定值自动选择相应的阀门最小开度以及开始开度,包括相应的PID参数,送到控制程序中,以便能够非常迅速达到要求的真空度。 冷却水流量控制对于VOD也是非常重要的,因为主要的设备冷却回路全部集中在真空盖上,万一发生泄漏,冷却水将直接进入钢水,将会造成非常严重的事故,因此本工程中对于冷却水回路的控制采用非常严格的策略。在进出口添加温度计以及流量计,根据对进出口流量差进行积分计算的结果和温度的变化来判断冷却水的状态。其原理如图3所示。
图3冷却水流量控制 根据工艺的要求,结合上图的原理,在2秒和2分钟两个时间间隔分别作如下计算:
在上述公式中,我们把PLC扫描时间(定时扫描)作为△t,这样每一次扫描都会形成一次新的计算,计算出该次扫描以前两秒内和前两分钟内冷却水的流量差,然后把计算的结果和工艺提供的数据进行比较,如果超出则说明冷却水发生异常,HMI产生报警以提醒操作员,同时自动进行预先设定的安全操作。在计算流量差的同时对于冷却水出口温度进行监视,发生异常变化也要发出报警。实践下来该方法非常灵敏的解决了冷却水流量的监视问题,反应及时,完全满足工艺的要求。
3 结束语
该系统从投产以后,运行稳定,维护方便,完全符合当初的设计思想,而且满足生产要求。
|
|
|
上一篇: 液压AGC厚度控制系统 下一篇: 080mm切分剪误动作成因分析及其对策 |




