基于PLC的步进电机在送经装置中的应用-PLC技术网(www.plcjs.com)-可编程控制器技术门户


基于PLC的步进电机在送经装置中的应用

 (点击题目可以 在互联 网中搜索该题 目的相关内容)
日期:2006-8-30 23:54:23     来源:慧聪网   作者: 点击:
点击【 大  中  小 】,可以选择字体的大小,以便你阅读.
    近年来,人们更关注的是步进电机的变频特性。由于事物变化的不均匀性,定频技术越来越显示出它的局限性,而变频技术却能很好地适应各种随机变化的系统。本文就是介绍采用PLC控制的步进电机的变频特性,使其运用在纺织机的送经装置中。

    用可编程控制器(PLC)产生各种步进脉冲驱动步进电机去达到各种控制、测试目的己屡见不鲜了。步进电机由于具有转子惯量低、定位精度高、无累积误差、控制简单等特点,成了工控的主要执行元件之一,尤其是在精确定位场合中得到了广泛的应用。但近年来,人们更关注的却是它的变频特性。由于事物变化的不均匀性,定频技术越来越显示出它的局限性,而变频技术却能很好地适应各种随机变化的系统。

    PLC对步进电机的控制

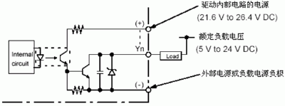
    PLC是广泛应用于工业自动化领域的控制器,它的功能越来越强,性能越来越先进。为了配合步进电机的控制,许多PLC都内置了脉冲输出功能,并设置了相应的控制指令,可以很好地对步进电机进行控制,图1是松下FP0-C16T晶体管输出型PLC的输出电路结构。


图1 PLC输出电路图

    FP0-C16T型PLC有两个脉冲输出端Y0和Y1端,随着控制方式的不同,有三种脉冲输出形式。

    (1) 这两个脉冲输出端可以用来作为两个不带加减速的单相脉冲输出端,主要使用PLS和SPD1指令进行控制,颠率范围为0Hz_10KHz,可以连续输出,也可以脉冲中形式输出,可以同时单独输出。

    (2) 可以作为两相可变占空比的连续脉冲输出端,主要使用PWM指令控制,占空比设置范围为0%_100%。频率设置范围0.1Hz_999.9Hz。

    (3) 可以作为带梯形加减速的两相脉冲输出,主要使用PULS和SPD1指令控制,频率变化范围0Hz_10KHz,加减速率10Hz/10ms_10KHz/10ms,可以连续输出,也可以脉冲串形式输出,这里又分为两种控制方式,一种是脉冲+方向控制(Y0、Y1输出脉冲,Y2、Y3输出方向),一种是正反向脉冲输出(Y0输出CW脉冲,Y1输出CCW脉冲)。如果使用Y0、Y2分别进行脉冲、方向控制,控制系统如图2所示。如果使用Y0作为脉冲输出,可以通过如图3所示的方法实现两相脉冲输出。


图2 脉冲、方向输出图


图3 双脉冲输出图

    PLC控制步进电机在送经装置上的应用

    采用PLC控制的步进电机的变频特性运用在纺织机的送经装置中很好地解决了经纱内部张力不均匀的问题,使产品的质量产生了质的飞跃。

    (1) 经纱张力信号检测

    本装置是通过检测后梁的摆动是否超出范围来检测经纱张力的波动是否满足要求,不满足要求时就控制送经装置予以调整。如图4,当经纱2的张力发生波动时,活动后梁4带动张力感应杆5绕点O摆动。当检测片6进入接近开关7的有效作用区时,接近开关7就发出一高电平信号。以PLC为核心的控制器根据这一信号和主轴位置信号,启动步进电机13,驱动织轴送出经纱。接近开关7’是极限张力检测开关。当经纱张力过大或过小时,检测片6将遮挡接近开关7’,7’输出的高电平信号到控制器后,控制器就会关掉织机,以便进行人工处理。主轴位置的检测是为了控制送经运动的允许时间,以避开打纬,保证纬纱能被打紧。主轴位置的检测同样采用的是接近开关非接触式检测。


图4 送经装置结构图

    (2) 织轴驱动系统

    织轴驱动系统由步进电机驱动器、步进电机、蜗轮减速器和织轴四部份组成。它的作用原理是:控制系统送来的信号经驱动放大处理后,驱动步进电机转动,然后经过减速器减速,再传动织轴,放出经纱。

本新闻共2页,当前在第11 2  

上一篇: 基于PLC控制的气动物料搬运系统的研制
下一: 软PLC在自动化立体仓库中的应用