点击【
大 中
小 】,可以选择字体的大小,以便你阅读.
MZ2015自动磨床是轴承行业广泛使用的加工设备,用于轴承套圈内圆磨削,由于该机床的早期电气系统采用的是继电器─接触器控制和由二极管组成的矩阵顺序控制线路,电气元件较多,且可靠性差,电气故障频繁。故采用FXon-60MR PLC对其控制系统进行了改造。
1 系统的硬件设计
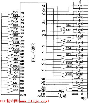
任何一种继电器系统都有三个部分组成,即输入部分,逻辑部分和输出部分。系统输入部分由所有行程开关、仪表触点、方式选择开关、控制按钮等组成。逻辑部分是指由各种继电器及其触点组成的实现一定逻辑功能的控制线路,输出部分包括电磁阀线圈,指示灯和接通各种负载的接触器线圈。在控制系统中使用PLC 就是代替继电器控制系统中的逻辑线路部分。原MZ2015磨床的电气系统,所有行程开关(SQ1~SQ17),选择开关(SA3),仪表触点(KA1~KA4),控制按钮(SB2,SB5)等为系统的输入信号;而电磁阀线圈(YV1~YV13),指示灯,充磁信号等为系统的输出信号。系统的硬件构成如图1所示,为了节省输出点数,各电磁阀的状态指示灯并联在其线圈两端;系统的调整操作采用由PLC的Y1和Y2输出调整信号在外部经相应开关控制。同时为了保护PLC输出继电器,在电磁阀两端各并联一只二极管,防止在电感性负载断开时产生很高的感应电动势或浪涌电流对PLC输出点及内部电源的冲击,二极管的额定电流通常选为1A,额定电压大于电源电压的3倍。

图1 PLC外部接线图
2 软件设计
2.1 程序结构
原机床包括自动、半自动、调整和长期修整4种工作方式,由万能转换开关选择。用PLC改造后,此部分的接线要重新安排,可选用转换开关的两组触点SA3-1和SA3-2(对应PLC输入端子X20和X21),使其分别在4种工作情况下,满足表1所示的通断状态。
表1 开关方式状态

表1中“0”表示断开,“1”表示接通。如用二进制表示X20 和X21 的状态,即为00,01,10和11四种。如图2示,自动方式时驱动M10,半自动时驱动M11,调整时驱动M12,长修时驱动M13。这样可安排出图3的程序结构图。

图2 工作方式梯形图

图3 程序结构图
2.2 矩阵电路的编程处理
矩阵二极管顺序控制电路是原床电气系统中的重要组成部分,PLC梯形图的转换原理,如图4示。其动作如下:

图4 二极管顺序控制原理示意图及对应梯形图
(1)SA1合上,SA2打开,KA5线圈通电吸合并自锁,此时KA5线圈及R上的电压基本相等,约为12V,KA6线圈被短路脱吸。
(2)SA1打开,SA2合上,KA5线圈被短路,KA5脱吸,KA6线圈通电吸上并自锁。
(3)SA1、SA2同时合上,由于KA5、KA6线圈同时被短路,所以V1也处于上述导通状态,但KA5、KA6总是处于脱吸状态。
根据上述要求可得出SA1、SA2与KA5、KA6的逻辑关系,如表2所示。从表2可看出,SA1是KA5的置位端,KA6的复位端;SA2是KA6的置位端,KA5的复位端。这种状态可由PLC内部的置位、复位指令来实现,其梯形图如图4示,图中M21相当于KA5,M22相当于KA6。
表2 顺序控制逻辑

2.3 编程调试
由于用PLC改造原机床电气系统是以不改变原控制功能为前提,此时可对原线路进行分块处理,对于MZ2015磨床,可分成输出处理程序,输入处理程序和顺序控制逻辑程序,这种处理对于程序调试和设备维修都有很大的方便,根据手动、 长修、 自动和半自动四种工作方式分别进行模拟运行。用开关模拟输入信号,开关的一端接入相对应的输入端点,另一端作为公共端接在PLC输入信号电源的负端。输入程序后,对照输入信号状态表,设置好原始状态情况下所有输入信号的状态;再按工步状态,扳动开关,观察输出端点指示灯在一个工作循环里的状态变化,并与工艺过程对照。由于程序较长,这里仅给出输出部分及二极管顺控电路所对应的梯形图,如图4、5示。