| |
|---|---|
| (点击题目 可以在互 联 网中搜索该题 目的相关内容) 日期:2006-12-5 23:09:13 来源:PLC之家 作者: 点击: | |
|
1) 类型、编号及分辨率 TON——接通延时 TONR——有记忆接通延时 TOF——断开延时 3种分辨率(时基):1ms、10ms、100ms——分别对应不同的定时器号 定时器6个要素: 指令格式(时基、编号等) 预置值——PT 使能——IN 复位——3种定时器不同 当前值——Txxx 定时器状态(位)——可由触点显示 定时值=时基×预置值PT。由于定时器的计时间隔与程序的扫描周期并不同步,定时器可能在其时基(1ms、10ms、100ms)内任何时间启动,所以,未避免计时时间丢失,一般要求设置PT预置值必须大于最小需要的时间间隔。例如:使用10ms时基定时器实现140ms延时(时间间隔),则PT应设置为15(10ms×15=150ms)。 2) 功能 (1) 接通延时定时器TON——一般用于单一时间间隔的定时 指令格式:见图,编号与分辨率及定时器类型有关。(见教材P221:Fig8-3-3a) 使能:——IN: I2.0 =“1” 当前值——T33,当在线(Online)时,此处显示当前值 预置值——PT=3,即定时时间=10ms×3=30ms 复位——IN:I2.0 = “0” 定时器状态(位)——“1”或“0” 与MODICON PLC的定时器指令对照:
区别:对MODICON PLC,当10001=“0” ,10002=“1”时,定时器当前值保持;当计时时间到,即(40040)= 30时,只要10002=“1”,定时器也是保持 对S7-200 PLC, 只要I0.0=“1”,即计时,当T33当前值=3时,定时器继续计时,直至I0.0=“0”,定时器复位(相当于10002=“0” ) (1) 断开延时定时器TOF——一般用于故障时间后的时间延时 指令格式:见图,编号与分辨率及定时器类型有关。 注意:定时器状态(位)=“1”(置位)及当前值复0与使能.I0.0=“1”同步;计时开始与使能I0.0从“1”→“0”(断开)同步,且当计时时间到而使能仍=“0”时,当前值保持。 (2) 有记忆接通延时定时器TONR——一般用于累计许多时间间隔(指令功能及时序图见教材P222:Fig8-3-3c)
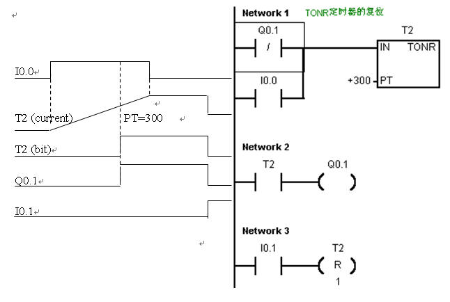
指令格式:见图,编号与分辨率及定时器类型有关。 注意:定时器状态(位)=“1”(置位)及当前值复0与使能.I0.0=“1”同步;计时开始与使能I0.0从“1”→“0”(断开)同步,且当计时时间到而使能仍=“0”时,当前值保持。 (3) 有记忆接通延时定时器TONR——一般用于累计许多时间间隔
|
|
|
上一篇: S7-200系列PLC的比较指令 下一篇: S7-200系列PLC的计数器指令 |


