| |||
|---|---|---|---|
| (点击题目可以 在互联 网中搜索该题 目的相关内容) 日期:2006-11-30 23:06:32 来源:PLC之家 作者: 点击: | |||
|
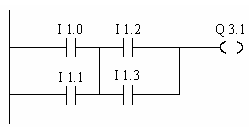
| 位逻辑指令的运算规则:“先与后或”。 例3.1.7:当输入信号I 1.0 和I 1.1 都为“1”,或输入信号I 1.2 和 I 1.3 都为“1”时,输出信号Q 3.1 为“1”。否则输出信号Q 3.1 为“0”。 功能图(FBD)语言如下: 梯形图(LAD)语言如下: ![]() 语句表(STL)语言如下: A I 1.0 A I 1.1 O A I 1.2 A I 1.3 = Q 3.1 例3.1.8:当输入信号I 1.0 或I 1.1为“1”,并且I 1.2 或 I 1.3为“1”时,输出信号Q 3.1 为“1”。否则输出信号Q 3.1 为“0”。 功能图(FBD)语言如下: 梯形图(LAD)语言如下:
语句表(STL)语言如下: A ( O I 1.0 O I 1.1 ) A( O I 1.2 O I 1.3 ) = Q 3.1 上一篇: 西门子S7-300PLC的中间输出符号示例 | 下一篇: 西门子S7-300PLC的置位/复位指令及示例 |



