| |
|---|---|
| (点击题目可以在互联网中搜索该题目的相关内容) 日期:2006-10-15 23:06:40 来源:PLC之家 作者: 点击: | |
|
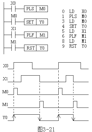
FX系列PLC有基本逻辑指令20或27条、步进指令2条、功能指令100多条(不同系列有所不同)。本节以FX2N为例,介绍其基本逻辑指令和步进指令及其应用。 FX2N的共有27条基本逻辑指令,其中包含了有些子系列PLC的20条基本逻辑指令。 微分指令(PLS/PLF) (1)PLS(上升沿微分指令) 在输入信号上升沿产生一个扫描周期的脉冲输出。 (2)PLF(下降沿微分指令) 在输入信号下降沿产生一个扫描周期的脉冲输出。 微分指令的使用如图 1所示,利用微分指令检测到信号的边沿,通过置位和复位命令控制Y0的状态。
图 1 微分指令的使用 PLS、PLF指令的使用说明: 1)PLS、PLF指令的目标元件为Y和M; 2)使用PLS时,仅在驱动输入为ON后的一个扫描周期内目标元件ON,如图3-21所示,M0仅在X0的常开触点由断到通时的一个扫描周期内为ON;使用PLF指令时只是利用输入信号的下降沿驱动,其它与PLS相同。 | |
| 上一篇: 三菱FX系列PLC置位与复位指令(SET/RST) 下一篇: PLC与常用输入设备的连接-PLC与主令电器类设备的连接 |
