顺源推出:有源信号转无源信号 IC-PLC技术网(www.plcjs.com)-可编程控制器技术门户


顺源推出:有源信号转无源信号 IC

 (点击题目可以在互联网中搜索该题目的相关内容)
日期:2007-4-4 22:51:04     来源:中国自动化网   作者: 点击:
点击【  大  中   小 】,可以选择字体的大小,以便你阅读.

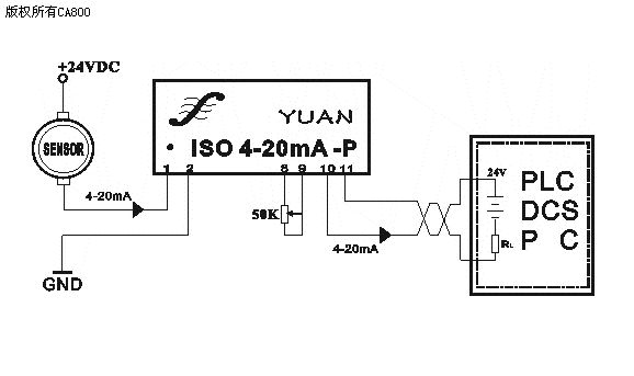
     ISO 4-20mA-P是一种两线制4-20mA 信号隔离调理器,它可以将有源4-20mA电流信号转换成隔离的无源电流信号,二线制供电回路(防爆方式)输出。属于SUNYUAN ISO 4-20mA系列的产品。
  该IC内部包含有电流信号调制解调电路、信号耦合隔离变换电路等。很小的输入等效电阻,使该IC能够从传感器回路中采集到的信号电压达到超宽范围(7.5—32V),以满足用户无需外接辅助电源而实现信号远距离、无失真传输的需要。该IC输出是针对24VDC和取样电阻(负载电阻)相串联的二线制供电回路来设计的,同当前流行的模拟量输入接口板(上位机)、PLC、DCS或其他仪表的模拟量输入端口相匹配。 ISO 4-20mA-P产品使用非常方便,只需外接一个50KΩ的多圈电位器进行ADJ校正,即可实现两线制4-20mA信号的隔离、传输和变送功能或信号的一进二出、二进二出等变换功能。

参考技术资料:http://www.sun-yuan.com/download/200691112285576711.doc


上一篇: 和利时小型PLC家族喜添新品
下一: 2007年三菱电机低压配电产品代理商年会胜利召开