A186E型梳棉机电气控制系统的PLC改造 | |
|---|---|
| (点击题目可以在互联网中搜索该题目的相关内容)日期:2006-11-6 0:22:39 来源: 中国自动化网 作者: 点击: | |
|
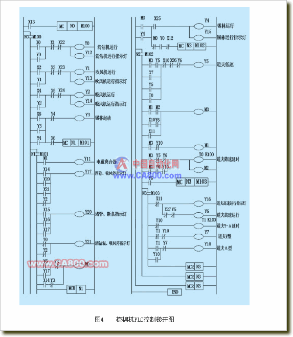
PLC是一种数字运算操作的电子系统,专为工业环境下应用而设计,使用了可编程序存储器以存储指令,用来执行逻辑、顺序、定时、计数以及算术运算功能,并通过数字式、模拟式的输入/输出,控制各种类型的机械和生产过程.PLC可靠性高、体积小、功能强、程序设计简单、灵活通用、维护方便,在机械制造、冶金、能源、化工等领域中,越来越多的重要设备、工艺、关键部位都采用PLC来组成控制系统,以代替体积大、耗能大、可靠性差的继电器-接触器控制系统.梳棉是棉纺加工过程中的一道重要工序,A186E型梳棉机为国内普遍采用的一种机型,采用PLC对A186E型梳棉机进行控制改造,旨在提高其稳定可靠性。 2 电气控制任务分析 A186E型梳棉机电气控制系统主电路图见图1。由图1可知,A186E型梳棉机由5台电动机拖动,其中,M1为清洁辊电机,M2为吹风电机,M3为吸风电机,M4为锡林电机,M5为道夫电机。控制要求: (1) M1、M2、M3单独控制启/停; (2) M4起动时不接入热继电器,当锡林升速到一定值后再接入; (3) M5采用双速电机,2套独立绕组,慢速16极,快速4极,利用慢速升头后,可将道夫转为快速,快速采用Y-Δ转换接线,以减小快速起动转矩;快速初始先接成Y型,经一定延时后切换为Δ型,变速过程中加一飞轮通过电磁离合器与道夫电机连接,以使升、降速时间符合要求,电磁离合器仅在道夫慢速和变速的过程中通电运行,正常停车时,道夫先减慢速后再停止; (4) M4转速达到一定要求后,M5才可起动; (5) M4起动后,自停装置方可工作; (6) 当出现刺辊速度下降、吸风清洁辊停转、厚卷、堵管、断条等故障现象,道夫立即停止转动; (7) 升头时,堵管、断条自停电路不允许工作。 继电器-接触器控制电路如图2: 3 PLC电控系统设计 采用PLC代替继电器-接触器控制,主电路图图1不变,控制电路图2中的按钮、开关作为PLC的外部输入信号,接触器线圈、电磁离合器的线圈、指示灯作为PLC的输出负载。 3.1 PLC选型 三菱FX2N系列PLC体积小、功能强、速度高、指令功能丰富、内部资源充足,可在PC机上编程,并可通过PC机对系统进行实时监控,为调试和维护提供了极大的方便。 由图2可知 PLC的外部输入信号共有24个,PLC向外部提供的信号共有18个,主机选用FX2N-64MR即可满足控制要求。 3.2 梯形图设计 根据A186E型梳棉机的电气控制要求、逻辑关系,以及各运动部件间的联锁关系,程序控制框图见图3: 梯形图如图4所示: 4 结束语 采用三菱FX2N系列PLC对A186E型梳棉机进行改造,大大简化了控制系统的结构,提高了系统的稳定性和可靠性,取得了较大的社会和经济效益。 参考文献 [1] 郁汉琪. 电气控制与可编程序控制器应地中用技术. 南京:东南大学出版社,2003 [2] 张深基. 纺织厂电气控制技术. 北京:中国纺织出版社,1997 本新闻共2页,当前在第1页1 2
|
|
| 上一篇: PLC在VC443A牵伸加捻机中的应用下一篇: 国产变频器在直线拉丝机上的应用 |



