| |
|---|---|
| (点击题目可以 在互联 网中搜索该题 目的相关内容) 日期:2006-12-3 22:36:38 来源: 作者: 点击: | |
|
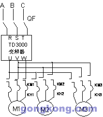
碳素成型机是碳素厂的关键生产设备,主要完成计量、原料输送、高压震动成型、出料几步工序,我公司选用艾默生TD3000系列变频器和三菱PLC相结合,完成对送料小车电机和震动电动的控制。根据工艺特点,小车电机和震动电机不同时工作,但是,两台震动电机要求同时工作,速度一致。 主要设备配置: 小车电机:功率3.7KW,额定电流:7.5A 震动电机两台:单机功率8.5KW,额定电流:18.4A 工作流程: A:小车工作程序如图1所示 ![]() 图1 S1起点 S2起点减速点 S3终点减速点 S4终点 小车将原料从起点S1送到终点S4,再从终点S4返回到起点S1,为了提高工作效率,要求加减速时间尽量短。工作频率为35HZ,低速频率为10HZ。 B:震动电机的工作程序如图2所示: ![]() 图2 有两种震动速度,高速震动频率为50HZ,低速震动频率为15HZ,负载为偏心轮,15HZ——25HZ为机械共振带。停车时间要求限制在20秒之内。 为了节约投资,提高效率,根据工艺特点,我们选用一台变频器完成对小车电机和震动电机的控制,完成两种不同的控制过程。如图3所示。 ![]() 图3 通过交流接触器的机械连锁,实现两组电机之间的独立工作,由于变频器不能对不同功率的电机实施保护,所以电机配备了单独的热继电器KH1、KH2、KH3。 在两种控制过程中一共有10HZ、35HZ、15HZ、50HZ、四种工作频率。我们采用1了多段速工作方式,通过多功能端子X1、X2、X3的组合切换来实现。 为了避免机械共振对设备造成损坏,通过设定跳跃频率为20HZ,跳跃范围为5HZ,有效的避开了共振带,取得了很好的效果。 在两种工作方式中,虽然负载特性不同,但是皆要求有较短的加速、减速时间,所以我们配了1500KW 40W的制动电阻。小车电机功率小,只有3.7KW,我们选择了较短的加减速时间——2秒,通过设定加速时间2和减速时间2,并且采用多功能端子X5相配合来实现,工作情况良好。震动电机负载较大,而且为偏心轮负载,要求启动力矩大,启动时间长,开始我们选用直线加减速方式,加速时间从小到大逐步调整,电机启动电流较大,最大可到50A,经常出现(E001)变频器加速运行过电流;减速时惯量较大,减速时间长,采用自由停机,从高速震动到完全停机需要85秒左右。所以对参数的设定有较高的要求,为了适应负载的工作特性,并向艾默生技术人员——刘振武先生多次请教,经过反复的调整,我们采用了S曲线加减速的方式,并将S曲线起始时间调整为30%,S曲线上升段时间调整为31%。加速时间1调整为36秒,减速时间1调整为16秒,获得了最好的控制效果。启动电流,比直线加减速方式降低10A左右,降到40A以下,避免了频繁出现的变频器加速运行过电流(E001)。采用减速停机配合直流制动的工作方式,停车时间为13秒。只有自由停车时间的六分之一。根据具休工艺情况,对低速震动和故障报警采用了自由停车方式。 经过以上多种控制方式的相互配合,取得了较好的控制效果,不仅高效、节能,而且运行平稳。 在本次调试过程中,通过和多种进口变频器的比较,对TD3000系列变频器有了进 一步的了解,不仅功能丰富,而且质量好。同时也对艾默生技术人员及时周到的技术支持表示感谢。但是由于负载为一施二,所以,其矢量控制功能没有得到充分的利用。 ![]() ![]() |
|
| 上一篇: 永宏基于PLC的全自动包装机控制系统的设计 下一篇: 西门子机器视觉在烟草行业的应用 |




