点击【 大 中 小 】,可以选择字体的大小,以便你阅读.
1 引言
可编程控制器PLC外部接线简单方便,它的控制主要是程序的设计,编制梯形图是最常用的编程方式,使用中一般有经验设计法,逻辑设计法,继电器控制电路移植法和顺序控制设计法,其中顺序控制设计法也叫功能表图设计法,功能表图是一种用来描述控制系统的控制过程功能、特性的图形,它主要是由步、转换、转换条件、箭头线和动作组成。这是一种先进的设计方法,对于复杂系统,可以节约60%~90%的设计时间.我国1986年颁布了功能表图的国家标准(GB6988.6-86)。有了功能表图后,可以用四种方式编制梯形图,它们分别是:起保停编程方式、步进梯形指令编程方式、移位寄存器编程方式和置位复位编程方式。本文以三菱公司F1系列PLC为例,说明实现顺序控制的四种编程方式。
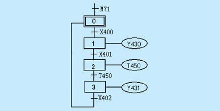
例如:某PLC控制的回转工作台控制钻孔的过程是:当回转工作台不转且钻头回转时,若传感器X400检测到工件到位,钻头向下工进Y430当钻到一定深度钻头套筒压到下接近开关X401时,计时器T450计时,4s后快退Y431到上接近开关X402,就回到了原位。功能表图见图1:

图1 功能表图
2 使用起保停电路的编程方式
起保停电路仅仅使用与触点和线圈有关的指令,无需编程元件做中间环节,各种型号PLC的指令系统都有相关指令,加上该电路利用自保持,从而具有记忆功能,且与传统继电器控制电路基本相类似,因此得到了广泛的应用。这种编程方法通用性强,编程容易掌握,一般在原继电器控制系统的PLC改造过程中应用较多。如图2为使用起保停电路编程方式编制的与图1顺序功能图所对应的梯形图,图2中只有常开触点、常闭触点及输出线圈组成。

图2 起保停电路实现顺序控制
3 使用步进梯形指令的编程方式
步进梯形指令是专门为顺序控制设计提供的指令,它的步只能用状态寄存器S来表示,状态寄存器有断电保持功能,在编制顺序控制程序时应与步进指令一起使用,而且状态寄存器必须用置位指令SET置位,这样才具有控制功能,状态寄存器S才能提供STL触点,否则状态寄存器S与一般的中间继电器M相同。在步进梯形图中不同的步进段允许有双重输出,即允许有重号的负载输出,在步进触点结束时要用RET指令使后面的程序返回原母线。把图1中的0-3用状态寄存器S600-S603代替,代替以后使用步进梯形指令编程,对应的梯形图如图3所示。这种编程方法很容易被初学者接受和掌握,对于有经验的工程师,也会提高设计效率,程序的调试、修改和阅读也很容易,使用方便,程序也较短,在顺序控制设计中应优先考虑,该法在工业自动化控制中应用较多。

图3 步进指令实现顺序控制
4 使用移位寄存器的编程方式
从功能表图可以看出,在0-3各步中只有一个步在某时刻接通而其他步都在断开,把各步用中间继电器M200-M203代替,就很容易用移位寄存器实现控制。图4为用移位寄存器编程时的梯形图,采用移位寄存器M200-M217的前四位M200-M203代表4个步,组成1个环形移位寄存器。用移位寄存器主要是对数据、移位、复位3个输入信号的处理。该方法设计的梯形图看起来简洁,所用指令也较少,但对较复杂控制系统设计就不方便,使用过程中在线修改能力差,在工业控制中使用较少,大多数应用在彩灯顺序控制电路中。

图4 移位寄存器实现顺序控制
5 使用置位复位指令的编程方式
如图5为使用置位复位编程方式编制的与图1顺序功能图所对应的梯形图。在以置位复位指令的编程方式中,用某一转换所有前级步对应的辅助继电器的常开触点与转换对应的触点或电路串联,作为使所有后续步对应的辅助继电器置位和使所有前级步对应的辅助继电器复位的条件。对简单顺序控制系统也可直接对输出继电器置位或复位。该方法顺序转换关系明确,编程易理解,一般多用于自动控制系统中手动控制程序的编程。