卧式镗床继电器控制系统分析——移植设计法 | |
|---|---|
| (点击题目可以在互联网中搜索该题目的相关内容)日期:2006-10-17 22:56:36 来源:www.plc100.com 作者: 点击: | |
| 
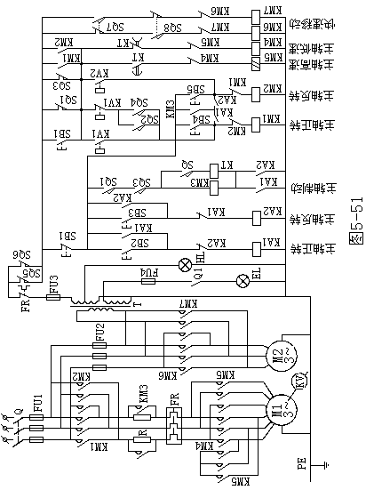
  1.卧式镗床继电器控制系统分析 如图5-51所示为某卧式镗床继电器控制系统的电路图,包括主电路、控制电路、照明电路和指示电路。镗床的主轴电机M1是双速异步电动机,中间继电器KA1和KA2控制主轴电机的起动和停止,接触器KM1和KM2控制主轴电机的正反转,接触器KM4、KM5和时间继电器KT控制主轴电机的变速,接触器KM3用来短接串在定子回路的制动电阻。SQ1、SQ2和SQ3、SQ4是变速操纵盘上的限位开关,SQ5和SQ6是主轴进刀与工作台移动互锁限位开关,SQ7和SQ8是镗头架和工作台的正、反向快速移动开关。 
 
 
 图5-51 卧式镗床的继电器控制电路 2.画PLC外部接线图 改造后的PLC控制系统的外部接线图中,主电路、照明电路和指示电路同原电路不变,控制电路的功能由PLC实现,PLC的I/O接线图如图5-52所示。 
 
 
 图5-52 卧式镗床PLC控制系统I/O接线图 3.设计梯形图 根据PLC的I/O对应关系,再加上原控制电路(图5-51)中KA1、KA2和KT分别与PLC内部的M300、M301和T0相对应,可设计出PLC的梯形图如图5-53所示。 
 
 
 图5-53 卧式镗床PLC控制系统的梯形图 设计过程中应注意梯形图与继电器电路图的区别。梯形图是一种软件,是PLC图形化的程序,PLC梯形图是串行工作的,而在继电器电路图中,各电器可以同时动作(并行工作)。 移植设计法主要是用来对原有机电控制系统进行改造,这种设计方法没有改变系统的外部特性,对于操作工人来说,除了控制系统的可靠性提高之外,改造前后的系统没有什么区别,他们不用改变长期形成的操作习惯。这种设计方法一般不需要改动控制面板及器件,因此可以减少硬件改造的费用和改造的工作量。  | 
|
| 上一篇: 移植设计法的编程步骤下一篇: 全自动洗衣机的控制PLC程序设计 | 


