OPEN_2000 PLC在球团控制系统中的应用 | |
|---|---|
| (点击题目可以在互联网中搜索该题目的相关内容)日期:2006-11-18 0:18:31 来源: 中国自动化网 作者: 点击: | |
|
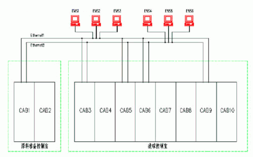
四川省攀枝花钢城企业总公司球团厂始建于2004 年3 月,于同年年底投入运行,首创同类行业的从设计到投入运行时间最短,厂区结构最紧凑,施工难度最大,堪称典型的微雕之作,氧化球团矿的生产能力为120 万t/年,由于氧化球团具有先进、复杂的生产工艺过程,所以对自动控制系统的要求也十分严格,攀钢球团厂的控制系统部分采用了OPEN_2000 PLC 硬件和配套的OPEN VIEW 监控软件。 OPEN_2000 处理器采用先进的32 位CPU,配置嵌入式实时多任务操作系统,支持模块网络热备冗余、热插拔技术,功能强大的CPU 模块拥有超大存储容量,并可支持多种通信接口RS232、RS485、以太网。可实现采集、运算、逻辑、定时、控制、通讯等功能,其程序开发方便,可与上位机组成控制系统,实现集散控制,与常用的可编程控制器PLC 相比,它在处理速度上显著提高,硬件冗余CPU 同步速率更快。 OPEN_2000 CPU 和I/O 模块的组合可以形成多种工作方式,本地、扩展、远程工作方式分别对应于小、中、大型控制系统均有其完备的解决方案,可广泛应用于电力、冶金、机械、化工自动化控制。 系统运行在WINDOWS2000 环境下,组态软件采用OPEN VIEW3.6,上位机与下位机OPEN_2000 通讯使用Modicon modbus TCP/IP 驱动,数据库与下位机通讯采用PORTserver 方式,SERVER 与下位机进行数据交换,两台CLIENT 读取SERVER 的状态数据,以提高上位机与下位机的网络通讯速度。系统架构:攀钢球团厂自动控制系统的网络架构图如下图所示: 整个控制系统包括总线为全冗余式设计,本系统采用了5 套OPEN_2000 处理器,6 台监控站(其中3 台为热备监控站),2 台工程师站,2 台交换机(互为热备),双以太网地址总线;按现场控制室位置分为本地和远程控制站,其中本地控制站在主控制室车间,远程控制站在干配控制室车间,本地和远程控制站之间采用光纤通讯,按被控信号主要分为数字量信号控制和模拟量信号控制。 两套监控站均设置在主控室,每套监控站中有一台作为SERVER,另外两台为CLIENT上位机监控由OPEN VIEW 软件实现。 PLC 站配置 本系统共架设10 个PLC控制站,分别在造球控制室和原料准备控制室,如下图所示: CAB1-10 为控制柜体编号;原料准备控制室CAB1、CAB2,造球控制室CAB3-CAB10。 系统配置 监控站:研华工控机PⅣ2.0G,512M 内存,80G 硬盘,19″LED 显示器 工程师站:DELL1.8G 笔记本两台 控制系统:OPEN_2000 控制系统 操作系统:WINDOWS2000 组态软件:OPEN VIEW 组态软件8 套 激光打印机一台 3COM 交换机两台 工艺流程 以下为工艺设备流程图: 控制系统划分 Y 原料系统 P 干配系统 Q 造球焙烧系统 R 润磨系统 C 成品系统 本新闻共2页,当前在第1页1 2
|
|
| 上一篇: WebField ECS-100X助中控赢得山西海鑫钢铁360m2烧结项目下一篇: 某钢铁有限责任公司转炉工程 |


