点击【
大 中
小 】,可以选择字体的大小,以便你阅读.
1 引言
某石化厂空压站空压机主要为石化厂、化肥厂、电力工程部三个重要生产单位提供用于仪表控制的净化风。如果发生空压机停止运行而且短时无法恢复故障时,将会造成上述三个生产单位的全面停工事故。空压机电气控制系统可靠性的高低将直接影响生产单位各项生产任务的完成,起着至关重要的作用。
2 原空压系统分析
2.1 改造背景
改造前空压站空压机电气控制系统从1989年使用到2005年,其使用时间长达16年。电气控制系统采用无系统故障指示的常规继电器方式,电气设备老化,线路混乱,仪表系统连锁复杂,造成设备管理复杂困难、技术要求较高,故障无法短时排除。五台空压机年平均故障次数达10次之多,造成风压波动较大,极大影响了仪表风系统的平稳可靠运行。
2.2 改造依据
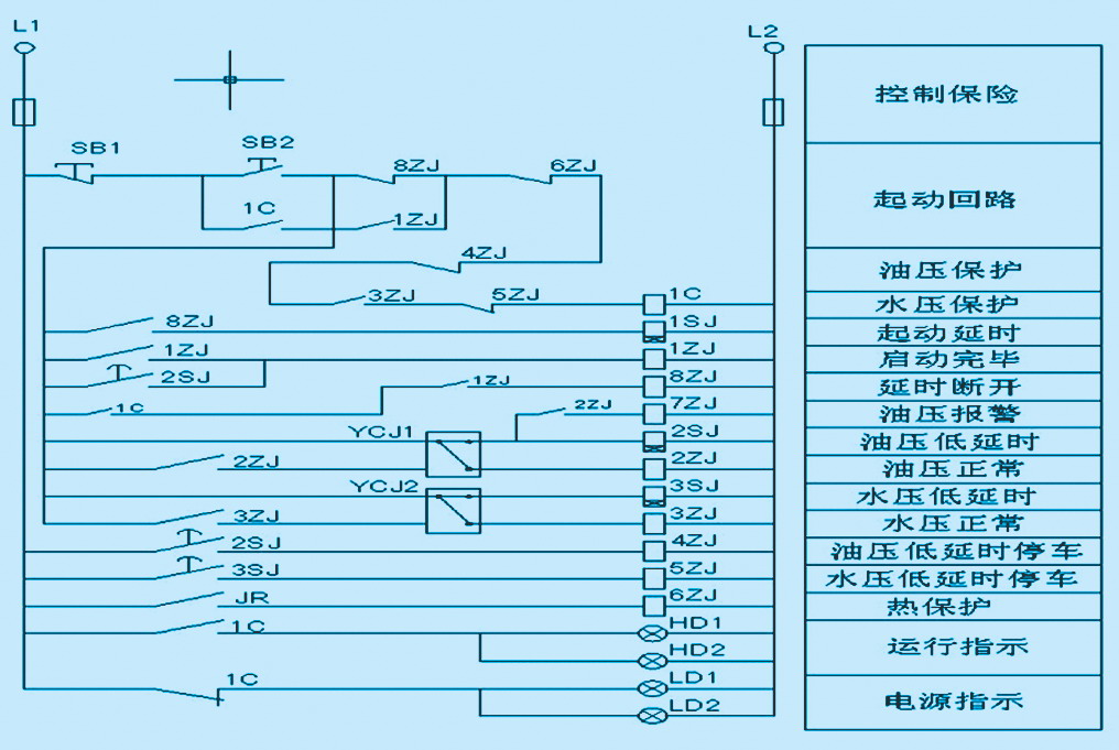
原有系统控制回路如图1所示。如通过图1分析可知其工作原理。空压机启动时按下起动按钮SB2,油压水压正常启动回路导通,1C交流接触器闭合,交流接触器闭锁,电动机启动,20s钟后1SJ动作,1ZJ闭合投入热保护系统,实现正常运行,如果起动时油压水压不正常则无法起动;系统正常运行过程中如果发生热保护动作、油压、水压保护动作则产生跳闸动作。同时也可是看出系统采用的是常规继电连锁系统,系统机构较为复杂。

图1 原有系统控制回路
3 PLC改造应用
3.1 硬件改造原理
改造后系统主回路原理参见图2所示。改造后系统控制回路原理参见图3所示。

图2 改造后系统主回路原理

图3 改造后系统控制回路原理
3.2 PLC梯形图
如图4所示。

图4 改造后系统的PLC梯形图
4 结束语
系统改造后的优点:系统采用高可靠性PLC(可编程序控制器)内部软逻辑功能,极大的简化了空压机控制回路外部接线,外部线路清晰明了,此外PLC支持在线编辑功能,方便现场实现调试;增加了故障指示功能和故障闭锁功能,便于空压机故障的查找和处理,极大地缩短了系统恢复时间,即使非电气专业人员也可以根据故障显示知道故障所在,及时检查和处理从而极大得提高了系统的可靠性;系统程序设计中采用相互闭锁接点故障检测设计,避免主交流接触器、热继电器、水压仪表、油压仪表出现接点故障;在满足工艺要求的基础上程序设计语句实用、简练、功能清晰明了。
本系统在2005年初投入使用至今,工作稳定可靠,故障显示清晰,使检修维护工作有的放矢,极大得缩短了系统恢复时间,降低了工作人员劳动强度,取得了良好的经济和社会效益。