| |
|---|---|
| (点击题目可以在互联网中搜索该题目的相关内容) 日期:2006-10-11 23:58:42 来源: 中国自动化网 作者: 点击: | |
|
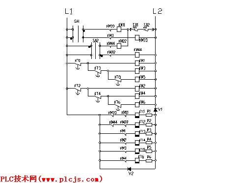
引言 沧州炼油厂炼油三部沥青车间现有年产十万吨道路沥青装置一套,车间配套有装车用桥式起重机两台,该桥式起重机是张家口起重机厂1979年10月生产,我厂1980年4月投用,经过20多年的使用,该设备已经非常陈旧,且随着近几年产量的增加,起重机使用频率增加,天车故障频发,沥青桥式起重机(又称天车)的电气维护一直是我们日常维护的一项重要工作,往往投入了大量的人力物力,还不能保证天车的正常使用,每年都消耗大量的材料费用。为解决该问题,2004年4月份我们组织了技术人员进行了QC攻关,经过比较决定采用施耐德公司生产的Modicon TSX Neza PLC,代替原电路中的JT3-11/1时间继电器,改造后,经过两年的使用,效果良好。 1、控制电路的分析与改造 在桥式起重机电路中,故障发生比较多的是抓斗提升、张合部分的控制电路,抓斗提升、张合主电路如下: 原控制电路如下: 图中,KM11、KM33、KM22、KM44分别是控制抓斗提升、张合的主接触器,KM1~KM6是切除电阻的接触器,KT1~KT6是时间继电器,时间继电器的作用是分级延时接触启动电阻,由于动作频繁所以故障频发。我们通过分析可以看出:1) 由于时间继电器的型号是JT3-11/1-110V,因此工作回路是一个半波整流降压回路,要使JT3-11/1正常工作,该回路中的二极管、降压电阻、接触器辅助接点均应可靠工作;2)JT3-11/1型号的时间继电器的辅助接点导致电气故障经常发生的一个主要点,如机构故障、接点接触不良故障,检修起来非常烦琐;3)JT3-11/1的线圈本身也经常出现短路和断路故障;另外,在这部分控制电路中,切除电阻的接触器和时间继电器辅助触点相互控制,互为因果,电路比较复杂。我们通过以上分析可以看出:无论哪一点出问题,都会导致抓斗电动机直接起动,使电机的起动转矩大大下降,如果发现不及时,极易烧坏电机。 施耐德公司生产的Modicon TSX Neza PLC功能比较丰富,容易使用且工作可靠,CPU单元具有12点输入和8点输出的20点I/O的基本结构,可根据需要最多连接3个扩展模块扩展至80个I/O点。根据原电路要求,我们用两个Modicon TSX Neza PLC更换了六个时间继电器,用PLC的输出节点对KM1~KM6接触器进行控制。改造后的原理图如下: 图一Modicon TSX Neza PLC的电源回路: 图二Modicon TSX Neza PLC的输出回路: 由于Modicon TSX Neza PLC一接通电源就运行其中的程序,因此通过抓斗主接触器来控制Neza PLC是否运行。我们对Neza PLC进行了编程,使其输出节点依据设定的延时时间依次导通,达到原电路的动作要求。考虑到Neza PLC的安全运行,我们实测了接触器(CJ12-100)线圈的实际工作电流是0.7A,为了防止线圈烧毁而损坏继电器的输出接点,该接点的额定电流是2A,在输出回路中串联了一个2A的保险管,保障该回路的接点不致被损坏。 2、抗干扰措施 由于PLC的安装地点是在桥式起重机的电气控制箱上,处在强电电路和强电设备所形成的恶劣电磁环境中。要提高PLC控制系统可靠性,一方面要求PLC生产厂家提高设备的抗干扰能力;另一方面,要求工程设计、安装施工和使用维护中引起高度重视,多方配合才能完善解决问题,有效地增强系统的抗干扰性能。 对此,我们采用了以下对策: 1、 采用性能优良的电源,抑制电网引入的干扰 本新闻共2页,当前在第1页1 2
|
|
| 上一篇: 菲尼克斯电气INTERBUS现场总线产品在铝行业物流设备中的应用 下一篇: 基于HMI+PLC+SERVO的台达控制方案在牙膏封盖机上的应用 |



